Важільна тяга одностулкова

TS 4000 EN 1-6 * Дверний замикач з важільною тягою для одностулкових дверей з шириною стулки до 1 400 мм

Зачинювач дверей TS 4000 Зачинювач верхнього розташування з зубчастим приводом і важільною тягою, Сила закривання 1-6 і 5-7 згідно
  • Плавна регульована сила закривання EN 1-6
  • Можливе використання для дверей з петлями праворуч та ліворуч без перемикання
  • Механічне кінцеве закривання, яке прискорює двері безпосередньо перед досягненням закритого стану
  • Можливе індивідуальне налаштування швидкості зачинення
  • Вбудоване демпфування відкриття, загальмовує різко відчинені двері
  • Візуальна індикація сили закривання для полегшення контролю під час регулювання
Показати більше
  • Усі функції регулюються спереду (окрім кінцевого дотискання)
Наші контакти

Сфери застосування

  • Протипожежні та димозахисні двері
  • Право- та лівосторонні навісні розпашні двері
  • Навісні розпашні двері із шириною стулки до 1 400 мм
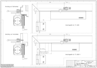
  • Монтаж на дверному полотні з боку, де розташовані дверні петлі
  • Верхній монтаж з боку навпроти дверних петель
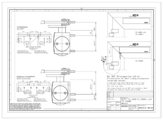
  • Для паралельного монтажу на дверному полотні з боку навпроти дверних петель

Технічні характеристики продукту

TS 4000 EN 1-6
Сила закривання згідно з EN 1154 EN 1 - 6
Безбар’єрний відповідно до DIN 18040 для стулок шириною (макс.), мм 1100 mm
Ширина стулки (макс.) 1400 mm
Вид монтажу Монтаж на дверному полотні з боку, де розташовані дверні петлі, Верхній монтаж з боку навпроти дверних петель
Кут відкриття (макс.) 180 °
Придатність протипожежних дверей Так
Регульована сила закривання Так, плавно (безступінчасто)
Регульована швидкість зачинення Так
Регульоване кінцеве дотискання Так, за допомогою важільної тяги
Інтегроване демпфування відкриття Так, регулюється за допомогою гідравліки
Позиція регулювання сили закривання Передній
Візуальна індикація сили закривання Так
Фіксатор Опціонально

Завантаження

Варіанти та аксесуари

Наші контакти

GEZE Central +38-044-501-22-25 Architektenhotline +49-7152-203-112 Mo - Do: 9.00 - 16.00 Uhr / Fr: 9.00 - 15.00 Uhr Service-Hotline +49-1802-923392 (0,06 € / Anruf aus dem Festnetz, Mobilfunk max. 0,42 €)