Зачинювач з електричним приводом одностулковий

TS 4000 EFS * Зачинювач з важільною тягою для одностулкових дверей з шириною стулки до 1400 мм з електричною функцією вільного ходу

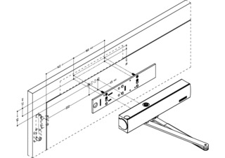
Зачинювач дверей TS 4000 EFS Зачинювач верхнього розташування з вільним поворотним важелем і електрогідравлічним фіксатором, сила зачинення 1-6
  • Плавна регульована сила закривання EN 1-6
  • Робоча напруга 24 В постійного струму
  • Можливе використання для дверей з петлями праворуч та ліворуч без перемикання
  • Функція вільного ходу дозволяє проходити двері з мінімальним зусиллям
  • Функція вільного ходу після разового відкривання дверей приблизно на 90°
  • Блок керування з датчиком диму, сигнал якої у випадку пожежі автоматично зачиняє двері
Показати більше
  • Механічне кінцеве закривання, яке прискорює двері безпосередньо перед досягненням закритого стану
  • Можливе індивідуальне налаштування швидкості зачинення
  • Візуальна індикація сили закривання для полегшення контролю під час регулювання
  • Усі функції регулюються спереду (окрім кінцевого дотискання)
Наші контакти

Сфери застосування

  • Протипожежні та димозахисні двері
  • Право- та лівосторонні навісні розпашні двері
  • Навісні розпашні двері із шириною стулки до 1 400 мм
  • Монтаж на дверному полотні з боку, де розташовані дверні петлі
  • Системи фіксації з убудованим фіксатором із функцією вільного ходу
  • Безбар’єрні проходи відповідно до вимог DIN 18040

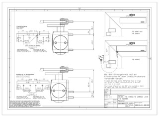
Технічні характеристики продукту

TS 4000 EFS
Сила закривання згідно з EN 1154 EN 1 - 6
Безбар’єрний відповідно до DIN 18040 для стулок шириною (макс.), мм 1400 mm
Ширина стулки (макс.) 1400 mm
Вид монтажу Монтаж на дверному полотні з боку, де розташовані дверні петлі
Кут відкриття (макс.) 180 °
Вхідна напруга 24 V DC
Придатність протипожежних дверей Так
Область вільного ходу 80 ° - 175 °
Регульована сила закривання Так, плавно (безступінчасто)
Регульована швидкість зачинення Так
Регульоване кінцеве дотискання Так, за допомогою важільної тяги
Позиція регулювання сили закривання Передній
Візуальна індикація сили закривання Так
Фіксатор Електричний, для забезпечення функції вільного ходу

Завантаження

Варіанти та аксесуари

Наші контакти

GEZE Central +38-044-501-22-25 Architektenhotline +49-7152-203-112 Mo - Do: 9.00 - 16.00 Uhr / Fr: 9.00 - 15.00 Uhr Service-Hotline +49-1802-923392 (0,06 € / Anruf aus dem Festnetz, Mobilfunk max. 0,42 €)