Корпус замикача TS 4000 R KM BG

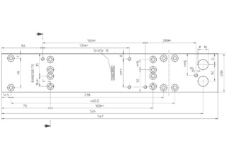
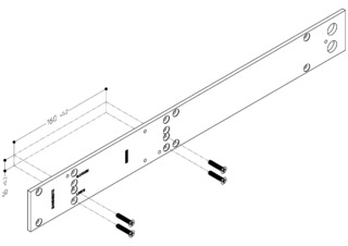
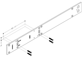
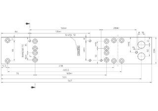
Монтажна панель дверного замикача * для TS 5000 RFS KM / TS 4000 R(-IS) за схемою розташування отворів згідно зі стандартами DIN EN 1154 додаток 1

Монтажна панель Зачинювач дверей, ID 058808
  • За схемою розташування отворів згідно зі стандартом DIN EN 1154 додаток 1
Наші контакти

Сфери застосування

  • Монтаж корпуса замикача за схемою розташування отворі згідно зі стандартами DIN

Технічні характеристики продукту

Монтажна панель дверного замикача
Монтажна панель зі схемою розташування отворів згідно з вимогами EN 1154 Так

Завантаження

Варіанти та аксесуари

Наші контакти

GEZE Central +38-044-501-22-25 Architektenhotline +49-7152-203-112 Mo - Do: 9.00 - 16.00 Uhr / Fr: 9.00 - 15.00 Uhr Service-Hotline +49-1802-923392 (0,06 € / Anruf aus dem Festnetz, Mobilfunk max. 0,42 €)