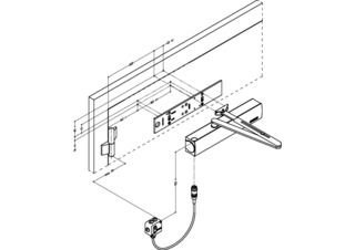
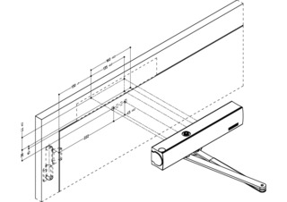
Важільна тяга одностулкова

TS 4000 E * Зачинювач з важільною тягою для одностулкових дверей з шириною стулки до 1400 мм з електричною фіксацією

Зачинювач дверей TS 4000 E Зачинювач верхнього розташування з електрогідравлічним фіксатором згідно з EN 1155, сила закривання 1-6
  • Плавна регульована сила закривання EN 1-6
  • Робоча напруга 24 В постійного струму
  • Можливе використання для дверей з петлями праворуч та ліворуч без перемикання
  • Електрична фіксація з кутом 80°–175°
  • Електрична фіксація відповідно до EN 1155 підходить для систем фіксації
  • Механічне кінцеве закривання, яке прискорює двері безпосередньо перед досягненням закритого стану
Показати більше
  • Можливе індивідуальне налаштування швидкості зачинення
  • Візуальна індикація сили закривання для полегшення контролю під час регулювання
  • Усі функції регулюються спереду (окрім кінцевого дотискання)
Наші контакти

Сфери застосування

  • Протипожежні та димозахисні двері
  • Право- та лівосторонні навісні розпашні двері
  • Навісні розпашні двері із шириною стулки до 1 400 мм
  • Монтаж на дверному полотні з боку, де розташовані дверні петлі, верхній монтаж з боку навпроти того, де розташовані дверні петлі

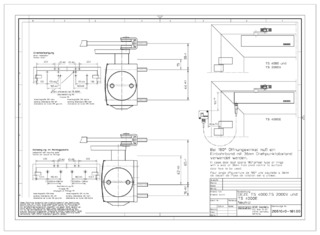
Технічні характеристики продукту

TS 4000 E
Сила закривання згідно з EN 1154 EN 1 - 6
Безбар’єрний відповідно до DIN 18040 для стулок шириною (макс.), мм 1400 mm
Ширина стулки (макс.) 1400 mm
Вид монтажу Монтаж на дверному полотні з боку, де розташовані дверні петлі, Верхній монтаж з боку навпроти дверних петель
Кут відкриття (макс.) 180 °
Вхідна напруга 24 V DC
Придатність протипожежних дверей Так
Регульована сила закривання Так, плавно (безступінчасто)
Регульована швидкість зачинення Так
Регульоване кінцеве дотискання Так, за допомогою важільної тяги
Позиція регулювання сили закривання Передній
Візуальна індикація сили закривання Так
Фіксатор Електричний
Кут фіксації 80 ° - 175 °

Завантаження

Варіанти та аксесуари

Наші контакти

GEZE Central +38-044-501-22-25 Architektenhotline +49-7152-203-112 Mo - Do: 9.00 - 16.00 Uhr / Fr: 9.00 - 15.00 Uhr Service-Hotline +49-1802-923392 (0,06 € / Anruf aus dem Festnetz, Mobilfunk max. 0,42 €)